基于续电流和相电流有效值的开关磁阻发电机故障诊断分析 |
易灵芝,隋永波,朱广辉,龚湖广,陈人楷 |
The Faults Diagnostic Analysis for the Power Converter in Switched Reluctance Generator Based on the RMS of Freewheeling Current and Phase Current |
Yi Lingzhi,Sui Yongbo,Zhu Guanghui,Gong Huguang,Chen Renkai |
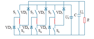
图2 三相不对称半桥功率变换器主电路 |
Fig.2 Schematic representation of an asymmetric IGBT bridge invertersupplying a three-phase SRG |
![]() |