基于续电流和相电流有效值的开关磁阻发电机故障诊断分析
易灵芝,隋永波,朱广辉,龚湖广,陈人楷

The Faults Diagnostic Analysis for the Power Converter in Switched Reluctance Generator Based on the RMS of Freewheeling Current and Phase Current
Yi Lingzhi,Sui Yongbo,Zhu Guanghui,Gong Huguang,Chen Renkai
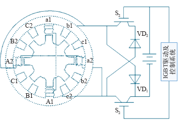
图1 12/8极开关磁阻发电机原理图作为整个发电系统起着能量传输作用的功率变换器一般采用三相不对称结构,按照开关磁阻发电机的工作模式,功率变换器又可以分为他励模式和自励模式。他励模式的功率变换器结构如图2所示,每一相由两个开关器件、两个续流二极管和线圈组成,但续流线和励磁电源没有连接在一起。当励磁时,两个开关器件导通,励磁电源对线圈进行励磁;当转子转到适合位置时,开关器件关断,线圈中电流通过两个续流二极管和负载进行续流。
Fig.1 Diagram of the 12/8 pole SRG