面向综合负荷的燃料电池等效模型及参数灵敏度分析 |
| 李培强,曾小军,李欣然,李龙桂,肖亚宁,郑柳柳 |
|
A Fuel Cell Equivalent Model for the Synthetic Load and Its Parameters Sensitivity Analysis |
| Li Peiqiang,Zeng Xiaojun,Li Xinran,Li Longgui,Xiao Yaning,Zheng Liuliu |
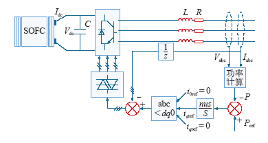
| 图2 电流滞环控制原理图 |
| Fig.2 Principle diagram of current hysteresis control |
|