串并联逆变器组合系统综述 |
| 韩竹文,方天治,何玮 |
|
Brief on Multiple Modules Series-Parallel Combined Inverter Systems |
| Han Zhuwen,Fang Tianzhi,He Wei |
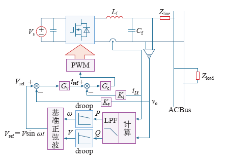
| 图5 无互联线控制方式(输出阻抗呈感性) |
| Fig.5 Steady-state invariant frequency and amplitude droop control( the output impedance is inductive) |
|