串并联逆变器组合系统综述
韩竹文,方天治,何玮

Brief on Multiple Modules Series-Parallel Combined Inverter Systems
Han Zhuwen,Fang Tianzhi,He Wei
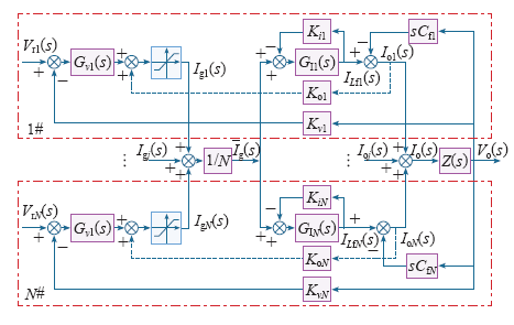
图4 基于平均电流控制的分布式控制方案
Fig.4 A distributed control strategy based on average current control